Сетевые фильтры стали неотъемлемым обязательным аксессуаром оргтехники и некоторой бытовой техники и приборов. Вообще сетевой фильтр, прежде всего, должен представлять собой устройство, которое призвано защищать цепи питания компьютеров, периферии и другой электронной аппаратуры от ВЧ и импульсных помех, скачков напряжения, возникающих в результате коммутации и работы промышленного оборудования. Это основные задачи устройств, носящих название сетевой фильтр. Как бы он ни выглядел, в какой бы корпус его ни запихал производитель, какой бы прочей эргономичности не придумали, главное, чтобы все это внешнее изящество не затмило основных задач. А сегодня можно наблюдать, к сожалению, совершенно иную картину. Производители подобных устройств не задумываются об их функциях, берут простейшую электрическую схему сетевого фильтра, состоящую из двух дросселей и двух конденсаторов, суммарная стоимость которых копейки и камуфлирует это под красивый дизайн. Для примера:

Или:

Причем стоимость такого аксессуара под названием сетевой фильтр немаленькая. В итоге, мы покупаем обычный сетевой удлинитель в красивой обертке. При всем этом показатель цены, что якобы, чем дороже, тем лучше и качественней, в данной ситуации значения не имеет. Этим введением мы хотим показать и раскрыть суть вопроса о сетевых фильтрах. Отчасти это ещё и ответ на комментарий уважаемого радиолюбителя в публикации простейшей схемы сетевого фильтра. Конечно, мы согласны, что начинка очень даже влияет на стоимость. Но всё дело в нерадивых производителях сетевых фильтров, которые не хотят «заморачиваться» над их содержимым, не пытаются разрабатывать принципиально новые электрические схемы для улучшения эффективности. Поэтому многие опытные радиолюбители для ежедневных нужд проектируют схемы сетевых фильтров сами. И качество получается на высоте, и надёжность, и собираются в основном из подручных радиокомпонентов, что сводит затраты к минимуму, и приобретается дополнительный радиотехнический опыт. Также стоит заметить, что в большинстве случаев схемы сетевых фильтров входят в состав более сложных схем сетевых стабилизаторов напряжения, о которых мы неоднократно упоминали на страницах радиолюбительского сайта.
Сегодня мы опубликуем несколько электрических схем и их описаний, по которым вам не составит особого труда изготовить сетевой фильтр своими руками, по функциональности и характеристикам превосходящий покупной. На рисунке ниже приведена электрическая схема сетевого фильтра, предназначенного для защиты питаемого устройства от внешних помех (за это отвечает цепочка C3C4C5C7L1) и импульсных выбросов сети (варистор R5 с характеристическим напряжением 275 вольт). Приведенная схема также защищает сеть от помех, создаваемых питаемым устройством.

Дроссель L1 имеет индуктивность магнитосвязанных встречно включенных электрически изолированных половинок 5,6 мГн. Светодиод D4 светится в рабочем состоянии, а D2 – только при перегорании плавкого предохранителя F1. По сути, схема этого сетевого фильтра является модернизированным вариантом простейшей электрической схемы устройства.
Собранный по следующей схеме универсальный фильтр не пропускает высокочастотные сетевые помехи как в питающий прибор, так и обратно в электрическую сеть.

В фильтре используются конденсаторы С1…С4, С9…С12 - КПБ - 0,022 мкФ - 500 вольт, С5…С8, С13, С14 - КТП-3 - 0,015 мкФ - 500 вольт (керамические, красного цвета, с резьбой М8 - 0,75). Неоновая лампочка VL1 служит обычным индикатором работы. Дроссели Др1 и Др1? намотаны обычным двойным сетевым проводом в изоляции на семи, сложенных вместе плоских ферритовых стержнях для магнитной антенны. Общее сечение магнитопровода 4,2 см2. Стержни плотно уложены друг на друга и обмотаны тремя слоями лакоткани. Поверх нее намотана обмотка, содержащая 7 витков провода. Получившийся элемент больше похож на проходной трансформатор, чем на дроссель. Дроссели Др2, Др2? (на керамических стержнях диаметром 12 мм и длиной 115 мм до полного заполнения), Др3 и Др3? (бескаркасные, содержат по 9 витков, намотаны с шагом для уменьшения межвитковой емкости и лучшей защиты от самых высокочастотных наводок на оправке диаметром 10 мм и длиной 41 мм) намотаны проводом ПЭВ-2 диаметром 1,5 мм. Максимальный ток для дросселей равен: Imax=d2 * плотность тока(4…6) / 1,28 = 1,52*4,5/1,28=7,91 ампер. Отсюда мощность равна P=220*7,91=1740 ватт. Конструктивно, что показано ниже на рисунке, сетевой фильтр собран в трех экранированных секциях, которые помещаются в металлический корпус 190х190х70 мм. Дроссели, находящиеся в соседних секциях, соединяются через проходные конденсаторы, установленные на вертикальных перегородках. Крепятся дроссели с помощью стоек из оргстекла толщиной 10 мм, в которых просверливают отверстия нужного диаметра.

Итак, с этим универсальным фильтром все, надеемся, понятно. Защита включает в себя и НЧ, и СЧ, и, наконец, ВЧ фильтрацию.
Далее рассмотрим знакомые большинству потребителей схемы сетевых фильтров Pilot. Они приведены ниже на рисунках.
Первая примитивная схема – Pilot L с максимальным током до 10 ампер.
Вторая схема более эффективная, от этого и соответствующее название сетевого фильтра производителем – Pilot Pro, максимальный ток которого также 10 ампер; но по существу тоже примитивная.
На последнем рисунке изображена электрическая схема фильтра APC E25-GR. Она идентична схеме Pilot Pro. Главное отличие в том, что вместо конденсатора 1 мкФ x 250 В установлен конденсатор 0,33 мкФ x 275 В и в качестве сердечника у катушек вместо воздуха используется ферритовый стержень. У каждой катушки свой. Оси катушек расположены под углом 90 градусов.



Также стоит сказать, что непосредственно в схемах самих блоков питания компьютера есть, хоть и примитивные, но все-таки сетевые фильтры, схемы которых как раз и копируют большинство нерадивых производителей.
Итак, кроме рассмотренной нами ранее универсальной (а пока только она, как вы, наверно, поняли, заслуживала внимания) мы вплотную подошли к эксклюзивной схеме сетевого фильтра. Функциональную схему работы устройства можно отразить на следующих диаграммах. Т.е. на них показано прохождение переменного тока через функциональные узлы и блоки фильтра, сглаживание посторонних разнородных помех и выделение на выход «чистого» напряжения.

Более детально это можно представить так:

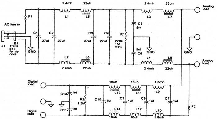
Для реализации поставленных задач отлично справляются сетевые фильтры, собранные по схемам ниже:


Последний рассчитан для питания не только аналоговых приборов, но и цифровой техники.
В схемах можно применять варисторы типа CNR14D221 (S14K140) 220В, 60 Дж или JVR-14N221K (S14K140) 220В или FNR-14K221 220В, 40 Дж. В качестве катушек-дросселей можно применить вот такие уже готовые – скачать. В качестве конденсаторов подавления электромагнитных помех подойдут так называемые Y конденсаторы, которые подключаются между фазой и нейтралью, эффективны при подавлении асимметричной (дифференциальной) помехи.

Подытожим, что две последние, а также универсальная схема сетевого фильтра наиболее предпочтительны. В заключение для интереса приведу стандарты сети электропитания стран мира. Приведены значения напряжения и частоты бытовой электросети различных государств, а также показан внешний вид сетевых разъемов, применяемых для подключения электроприборов.


А вообще, если вы приобрели или собрали сетевой фильтр своими руками, проверить его эффективность можно, подключив к одной розетке, например, системный блок и радиоприёмник. Но до этого стоит проверить их «совместимость» без фильтра. Если при применении сетевого фильтра уровень помех, доносящихся из динамика радиоприемника, становится заметно меньше или вообще пропадает, то устройство выполняет свои непосредственные задачи. И напоследок. Если вы все-таки покупаете готовый сетевой фильтр, то обращайте внимание на устройства, прошедшие испытания по ГОСТ Р 53362-2009, который заменяет предыдущий ГОСТ Р 50745-99.